王璐月
安科瑞电气股份有限公司 上海嘉定 201801
摘要:海上石油平台低压系统与陆地电力系统有很大区别,其属于中性点绝缘系统,在出现单相接地故障时,系统允许带故障正常运行2 h,保证海上重要电气设备不会立即关停。现以渤海某海上平台为例,其原有的绝缘监视仪只能发出故障报警,并不能监测出到底是系统中哪一路负载出现了绝缘故障,需要平台电气专业人员将现场低压负载回路逐个断电进行故障排查,给接地故障查找带来了非常大的困难。当低压母排发生单相接地故障时,为了能时间锁定故障点并方便现场电气人员及时对接地故障进行排查、解决,提高低压系统的稳定性,设计增加一套在线绝缘监测与定位系统,实现了绝缘故障回路的定位。现就绝缘监测及定位系统的实施方案及效果进行了探讨分析。
关键词:海上平台;低压绝缘监测;定位系统;实施方案
0 引言
海上石油平台低压电网系统属于独立电网系统,为了保证平台生产,平台的低压用系统不能因某一路负载的绝缘故障而关停,因此平台400V低压电力系统采用中性点绝缘系统。中性点绝缘系统的特点是当系统发生单相接地时,各相间的电压大小和相位保持不变,三相系统的平衡没有遭到破坏,故在短时间内可以继续运行。但是若长时间带故障运行,会造成相间短路,或者单相弧光接地时,使系统产生谐振而引起过电压,给平台生产造成很大压力。
渤海某石油平台原有的绝缘监测设备只能监测整段母线的绝缘水平,不能监测出具体是哪一路负载存在绝缘故障。因此,需要增加一套在线绝缘监测与定位系统,实现绝缘故障回
路的定位。本文以渤海某海上平台为例,就此问题进行探讨分析。
1平台电站低压系统分析及绝缘监测定位系统意义
1.1 中性点不接地系统分析
在中性点不接地系统中,由绝缘故障RF引起的对地漏电流IF只能通过系统对地泄漏电容构成回路,如图1所示。(1)熔断器或空开不动作;(2)系统发生单点对地故障时,系统电力供应不会中断;(3)系统或负载回路不会分断;(4)绝缘监视设备显示绝阻值下降或输出报警信号。
图1 负载电流向量分解图
1.2 现有绝缘监视仪表存在的问题
在海上平台低压400V系统中,只在每段母排上设置绝缘检测仪,但现有的绝缘监视仪表存在以下问题:
(1)只能显示整段母线的绝缘阻值,不能反映出哪一回路,当前A段负载有116路;
(2)只能监视工频交流供电系统,不能监视频率变化的交流供电系统;
(3)只能测量纯交流供电侧的绝缘失效,不能对含有直流成分的供电侧进行测量;
(4)不能自适应系统分布电容(漏电容)的变化,这样会导致绝缘监视仪表失效或给出错误的绝缘阻值。
1.3 绝缘监测及定位系统的意义
IT系统中当系统内发生单个对地绝缘故障时,系统允许带故障运行,当系统内发生个故障且故障在不同相时,系统对地构成相间短路,导致线路熔断器或空开动作,线路供电中断,因此,在发生次绝缘故障时,绝缘检测仪应立即发出报警信号,并找出故障回路,在个故障到来之前排除个故障,为及时排除故障赢得时间。
2 绝缘监测及定位系统的实施方案及效果
2.1 绝缘故障定位系统原理
因IT系统中的对地漏电电流为固定值且很微小,约为系统电容电流,因此,普通电流测量仪器不能测出具体哪个负载出现绝缘故障。本平台使用绝缘监视仪AIM-T500L,该设备是在普通绝缘监视仪的基础上引入PGH绝缘故障检测等装置,来完成故障定位,具体原理如图2所示。
图2 采用绝缘监测定位系统图
图中绝缘监视仪AIM-T500L连接在系统和大地之间,不间断测量系统内的相线和地之间的电阻值。当阻值降低至预先设定的报警值后,绝缘监视仪报警,触发PGH绝缘故障测试装
置,对地闭合测试开关,改变对地故障电流,以此来发送测试电流信号。
该测试电流信号经过绝缘故障点、大地、PGH和安装在各回路中的测量电流互感器构成回路。该测试电流数值的大小因系统额定电压和绝缘故障阻值的大小而异,但根据不同的
系统,可限制在1/2.5/10/25/50 mA以内,以保护单相故障时各系统的安全性,发生绝缘故障的回路上的测量电流互感器检测到该测试电流信号,输出报警信号,锁定绝缘故障回路,
实现绝缘故障回路的定位。
2.2 设备组成
主要应用的设备包括1台绝缘监视仪AIM-T500L、负载回路数量等同的绝缘故障评估仪AIL200-12和测量CT、1台RTU网关。
2.3 绝缘故障定位系统方案实施及效果
2.3.1 方案实施步骤
步,安装绝缘监视仪AIM-T500L在平台ACB开关柜的面板上。
步,安装绝缘故障评估仪AIL200-12在每屏负载柜端子排上,每台绝缘故障评估仪能监测12个回路左右,满足每屏负载柜的回路数。
第三步,安装毫安级开合式零序电流互感器在每个负载回路上,测量CT为开合式,无需断电安装,直接套在开关出线电缆上。
,连接各评估仪和监视仪等设备之间的通信电缆,方案示意图如图3所示。
图3 实施方案示意图
2.3.2 系统原理图
方案实施后低压400V系统及绝缘监测定位系统原理图如图4所示。
图4 系统原理图
2.3.3 效果展示
方案实施后,现场400V系统A段负载中有一个回路绝缘为零,利用此回路来验证本系统是否能够定位。
步骤1:将绝缘监测及定位系统上电投入使用,此时系统绝缘阻值为371kΩ,绝缘正常,AIM-T500L无报警。
步骤2:将已知的故障回路投入后,绝缘监视仪显示绝缘阻值<1kΩ,低于设定报警值30kΩ,报警指示灯亮,并发出测试电流启动定位。
步骤3:经过5s左右的时间查找,成功定位到故障回路,定位成功指示灯亮起,并在液晶显示屏上显示定位信息,故障显示信息(ADR:12 K10 014 mA),通过查找盘柜对应表,故障回路为LA11盘柜第8个回路,与现场一致,如图5所示。
图5 现场测试仪显示图
3 安科瑞工业用绝缘监测仪介绍
3.1 概述
随着工业科技的发展,漏电流对工业生产安全构成了很大的威胁。为了提高供电的连续性和可靠性,许多重要生产场所采用了不接地供电系统。安科瑞AIM-T系列工业用绝缘监测仪主要应用于工业领域如矿井、玻璃厂、电炉和试验设备、冶金厂、化工厂、爆炸危险场所、计算机中心及应急电源等的交流不接地系统中,用来实时监测系统对地的绝缘状况,当系统p出现接地故障时,及时报警,提醒相关人员排查故障。产品的设计严格按照国家标准和规范进行。
3.2 AIM-T系统工业用绝缘监测仪介绍
AIM-T系列绝缘监测仪主要应用在工业场所IT配电系统中,用来监测IT系统对地绝缘状况,在系统出现绝缘故障时及时报警,以提醒电气维护人员对故障及时排查。产品主要包括AIM-T300\AIM-T500两大系列,其中两款绝缘监测装置除去适用电压等级不同以外,均适用于纯交流、纯直流以及交直流混合的系统。
3.3 AIM-T系列绝缘监测仪应用
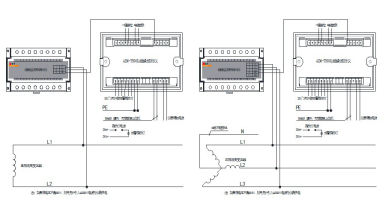
AIM-T300绝缘监测仪主要适用于在450V以下交流、直流以及交直流混合的不接地系统中;AIM-T500绝缘监测仪主要适用于800V以下交流、直流以及交直流混合的不接地系统中。用于给矿井、玻璃厂、电炉和试验设备、冶金厂、化工厂、爆炸危险场所、计算机中心以及应急电源等场所的IT系统中,实时监测IT系统对地的绝缘状况。同时AIM-T500支持双套IT系统母线互联功能,即当两套IT系统通过母联合为一套IT系统时,只有1台绝缘监测仪工作,另一台在检测到母联开关闭合后,自动停止绝缘监测功能。绝缘监测装置在主配电系统中的应用示意图如下所示。
3.4 安科瑞工业用绝缘检测仪选型

4 结束语
传统的绝缘监视仪只能监测系统的绝缘阻值,不能具体定位到故障回路,且随着系统扩容等现场条件的影响,系统分布电容会发生变化,从而导致传统的绝缘监视仪测量不准确甚至失效。绝缘监测及定位系统,从测试的结果来看,在线绝缘监视仪监测系统测量阻值非常准确,在监测到系统绝缘故障后,能够在数秒内准确地定位出故障回路,不再需要平台电气专业人员将现场低压负载回路逐个断电,进行故障排查,无论从功能、安全还是时效来看,都远远优于传统的绝缘监测手段。
绝缘监测及定位系统的AMP测量法,可自适应系统分布电容变化,更加地测量三相与地之间的绝缘阻值,且能快速定位到故障点,能适应包括IT系统绝缘监测、UPS等供电系统绝缘监测、油井电泵绝缘监测等系统,为海上平台绝缘故障提供更高效的保护方案。
本文地址: https://www.xsyiq.com/9997.html
网站内容如侵犯了您的权益,请联系我们删除。