本文介绍的分布式家用光伏,是指10kW以下,安装在家庭屋顶,通过220V并网或者380V并网的项目。大部分采用自发自用余量上网的方式,最大装机容量为上一级变压器容量的25%。

1.选择合适的安装场地:家庭屋顶一般采用瓦片结构和水泥结构,安装方在推销光伏或者接到用户申请时,要去现场考察,因为并不是每家屋顶都适合安装光伏。首先要确定屋顶的承载量能不能达到要求,太阳能电站设备对屋顶的承载要求大于30kg/平米,一般近5年建的水泥结构的房屋都可以满足要求,而有10年以上的砖瓦结构的房屋就要仔细考察了;其次要看周边有没有阴影遮挡,即使是很少的阴影也会影响发电量,如热水器,电线杆,高大树木等,公路旁边以及房屋周边工厂有排放灰尘的,组件会脏污,影响发电量;最后要看屋顶朝向和倾斜角度,组件朝南并在最佳倾斜角度时发电量最高,如果朝北则会损失很多发电量。遇到不适合装光伏的要果断拒绝,遇到影响发电量的需要和业主实事求是讲清楚,以免后续有纠份。
2.选择合适的光伏组件:光伏组件有多晶硅,单晶硅,薄膜三种技术路线,各种技术都有优点和缺点,在同等条件下,光伏系统的效率只和组件的标称功率有关,和组件的效率没有直接关系,组件技术成熟,国内一线和二线品牌的组件生产厂家质量都比较可靠,客户需要选择从可靠的渠道去购买。光伏组件有60片电池和72片电池两种,分布式光伏一般规模小,安装难度大,所以推荐用60片电池的组件,尺寸小重量轻安装方便。
按照市场规律,每一年都会有一种功率的组件出货量特别大,业内称为主流组件,组件的效率每一年都在增加,2017年是多晶265W,单晶275W,这种型号性价比最高,也比较容易买到,到2018年预计是多晶270W,单晶280W性价比最高。
3.选择合适的支架:根据屋顶的情况,可以选择铝支架,C型钢,不锈钢等支架,另考虑到光伏支架强度、系统成本、屋顶面积利用率等因素。在保证系统发电量降低不明显的情况下(降低不超过1%)尽可能降低光伏方阵倾斜角度,以减少受风面,做到增加支架强度,减少支架成本、提高有限场地面积的利用率。漏雨是安装光伏电站过程中需要注意的问题,防水工作做好了,光伏电站才安全。光伏支架安装在屋顶支撑着组件,连接着屋顶。它的设计多采用顶上顶的方式,不会对屋面原有防水进行穿孔、破坏;压块采用预制构件,不用现场浇注,可以避免了太阳能支架安装对屋面防水层的硬性破坏。
4.光伏方阵串并联设计:分布式光伏发电系统中,太阳能电池组件电路相互串联组成串联支路。串联接线用于提升直流电压至逆变器电压输入范围,应保证太阳能电池组件在各种太阳辐射照度和各种环境温度工况下都不超出逆变器电压输入范围。
工作电压在逆变器的额定工作电压左右,效率最高,单相220V逆变器,逆变器输入额定电压为360V,三相380V逆变器,逆变器输入额定电压为650V。如3kW逆变器,配260W组件,工作电压30.5V,配12块工作电压366V,功率为3.12kW为最佳。10KW逆变器配260W组件,接40块组件,每一路20串,电压为610V,总功率为10.4kW为最佳。
5.电缆的选择:在家用光伏系统中,建议采用铜电缆。因为光伏组件MC4接头,光伏逆变器输出接线端子,并网开关的接线端子都是用铜芯做的,如果用铝线,铜铝直接连接,就会形成了一种化学电池,即电化学腐蚀。这样就会引起铜铝之间接触不良,接触电阻增大。当有电流通过时,将使接头部位温度升高,而温度升高更加速了接头腐蚀,增加了接触电阻,造成恶性循环,直至烧毁。逆变器的输出防水接头,其线径也是按照铜线来设计的,如果采用铝线,则需要大一型号的线。如30KW逆变器,设计输出使用10平方的铜线,用铝线则需要16平方,线缆面积增加,而防水接线端子面积有限,有可能容不下,有些安装商就把防水接线端子拆掉或者破坏,这样会造成接线端子防护不严,容易进水,绝缘不好。还要选择多股的BVR软铜线,不要用BV硬铜线,因为硬铜线和接线端子容易接触不良,转弯的地方还有应力,容易引发螺丝松动,接触不良。
6.常用家用光伏系统设计方案:常见家用光伏系统,单相一般是3kW到8kW,三相一般是4-10kW,在条件允许的情况下,推荐使用三相并网,因为在同等条件下,三相并网比单相并网投资少,发电量高,如10kW系统,单相并网需要2台逆变器,直流输入4个组串,8根直流电缆,交流需要2个开关,三相并网只要一台逆变器,直流输入2个组串,4根直流电缆,交流需要1个开关。三相比单相电流少,损耗就少效率高;380V并网对电网影响少,不会因提升电网电压而停机。
3kW家用光伏设计方案
方案约需要30㎡屋顶面积,采用265Wp光伏组件12块组成,总功率 3.18KWp屋。系统采用1台3KW光伏逆变器,接入220V线路送入户业主原有室内进户配电箱,再经由220V线路与业主室内低压配电网进行连接,即可送电进入市电网。
逆变器最大直流电压(最大阵列开路电压)为550V,最大功率电压跟踪范围为70~550V,MPPT路数为1路/1并。每个太阳电池组件额定工作电压为30.8V,开路电压为38.3V,在环境温度为25±2℃、太阳辐射照度为1000W/m2的额定工况下,12个太阳电池串联的串联支路额定工作电压为369.6V,开路电压459.6V,均在逆变器允许输入范围内,可确保正常工作。
在工况变化时考虑在平均极端环境温度为-10℃时,太阳能电池组件串的最大功率点工作电压为12×30.8×(0.35%×35+1)=415V,满足550V最高满载MPPT点的输入电压要求;在极端最高环境温度为42℃时,太阳能电池组件的工作电压为12×31.2×(-0.35%×17+1)=352.1V,满足70V最低MPPT点的输入电压要求。

系统配置

常用家用光伏系统配置:

4.2kW电气系统图

5.0kW电气系统图

6.0kW电气系统图

8.0kW电气系统图

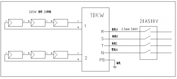
10.0kW电气系统图

本文地址: https://www.xsyiq.com/6462.html
网站内容如侵犯了您的权益,请联系我们删除。