分布式工商业光伏项目,是指安装在工业厂房、商场、学校、医院、车站等中大型建筑物屋顶,通过三相380V并网或者10KV并网,采用自发自用余量上网的方式或者全部上网的方式,在分布式光伏中,是投资见效最快的。而中大型屋顶,向来是兵家必争之地。

1、工商业光伏的优势
分布式工商业光伏项目,目前是投资收益最高,深受青睐。因为光伏发电和负荷用电相对同步,自发自用比例很高,在工商业电价相对较高的情况下,能取得不错的经济效益。工商业屋顶面积相对较大,从几百平方到几万平方都有,可以装几十千瓦到几兆瓦,是闲置的一块大资源,可进行开发利用,给企业多一条增收渠道,且光伏电站收益高,适合做投资。国家实施阶梯电价后,工商业用电量大,在峰期电费昂贵,安装电站之后,用电峰期一般都是光伏电站发电高峰期,可以有效率减少企业用电成本,此外,也可采取自发自用余电上网的模式,将剩余电量卖给国家,获取一笔收益。国家大力宣传节能减排,诸多企业在节能环保品牌方面面临着重大压力,安装光伏电站可减少碳排放量,为企业树立良好的形象。一些经济发达城市用电负荷大,导致用电紧张,有些地方频频拉闸停电,安装光伏储能电站可缓解用电紧张,减小用电压力,在拉闸停电期间,还可以作为应急电源使用。
2、安装工商业光伏要注意的事项
(1)安装场地外围要求:要确认屋顶的承载能达到安装光伏电站的要求,要拿到厂房建筑结构图纸,由结构工程师进线屋面增加荷载计算;如果是彩钢瓦屋面,要确认彩钢瓦瓦型(角驰性、T型、直立锁边型等),彩钢瓦屋面破损、腐蚀生锈、防水情况;屋面设备情况,是否有风机、气窗、采光带、空调,是否有女儿墙,女儿墙高度,以现场实际测量为准,厂房周边是否有高层建筑物,少量的阴影遮挡会系统输出功率下降,有现场实际案例测量数据表明:一个小的阴影遮挡可能会带来20%~30%的发电量损失,所以在组件排布设计阶段一定要进行阴影分析,保证光伏电站在上午9点到下午3点之间没有任何的阴影遮挡。
在北方,要注意冬天下雪对支架承载的影响,如果支架设计载荷末考虑积雪负荷,当遭遇大暴雪时,有造成支架全部或局部坍塌的危险,从而导致太阳能电池组件损坏,进而有可能导致整个光伏发电系统的瘫痪。在沿海地区,要严格参照沿海建筑物的抗风抗震参数进行设计,选择具有较强耐压能力的镀锌支架,光伏系统的阵列布置要充分考虑抗风的御风口。
(2)安装场地内要求:除了屋顶承载能力和阴影遮挡之外,工业厂房还是考察厂房内的设备情况,如果厂家内有大型吊车,电焊机,电炉等大功率感性设备,会造成工业厂房的电压不稳定,电流谐波超标,逆变器的并网点如果接在380V的低压侧,逆变器会重复启动,如果电压变化过快,甚至还有可能造成逆变器炸机。另外还要考察工厂生产的产品,有粉尘排放太多或者有污染气体排放的工厂,如面粉厂,钢铁耐火材料、焦化企业、烧结机、石灰窑、建材水泥等公司,不适合安装光伏。还有一些排放有害气体的企业,如电渡厂,组件边框和支架都是金属的,很容易氧化。还有一些工厂里面有非常精密的设备,对电磁干扰非常敏感,笔者曾调研过一家公司,当光伏电站一运行,有一类测试设备就用不了,测试逆变器输出谐波,EMC传导辐射,接地等完全符合规范,加了很多种滤波器也解决不了,后来查到该测试设备使用频率是15kHZ,而逆变器的开关频率也刚好是15kHZ, 后来尝试改变一下逆变器的开关频率,测试设备就使用正常了。
(3)运维:光伏发电系统的使用与维护的好坏直接影响着系统的使用寿命,影响着系统的运行成本和发电效率。一般情况下,无需对太阳能电池组件进行表面清洁处理,但对暴露在外的接线接点要进行定期检查,维护。 遇有大风、暴雨、冰雹、大雪等情况,应采取措施保护太阳能方阵,以免损坏。太阳能方阵的采光面应经常保持清洁,如有灰尘或其它污物,应先用清水冲洗,再用干净纱布将水迹轻轻擦干,切勿用硬物或腐蚀性溶剂冲洗、擦拭。运输中应注意防止太阳能电池组件受到碰撞,以免损坏。避免太阳能电池组件方阵架在运输过程中有太大变形。逆变器等电气设备是全自动控制设备,无需人工操作。如无电压输出,请检查空气开关是否合上、保险盒是否熔断。逆变器无输出,检查前面板的状态指示灯判断原因;若一切指示正常,检查逆变器的输出保险是否熔断。 逆变器、配电柜等电气设备接地:每半年测一次接地电阻。
3、常用工商业光伏系统方案
1)10kW光伏系统,采用40块265W组件,20串2并。

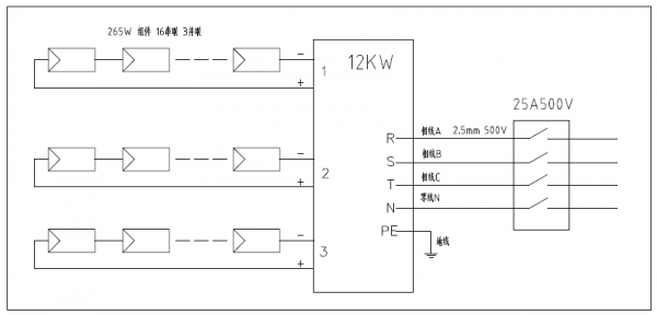
2)12kW光伏系统,采用48块265W组件,16串3并。

3)15kW光伏系统,采用60块265W组件,20串3并

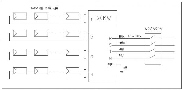
4)20kW光伏系统,采用80块265W组件,20串4并

5)25kW光伏系统,采用100块265W组件,20串5并

6)30kW光伏系统,采用120块265W组件,20串6并

7、33kW光伏系统,采用132块265W组件,22串6并

8)40kW光伏系统,采用160块265W组件,20串8并

常用工商业光伏小三相系统配置:

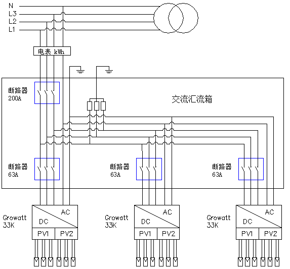
对于大于40kW小于400kW的工商业电站,可以采用多台组串式逆变器并联的方式,逆变器尽量选用功率大的:

100kW光伏系统电气图:

本文地址: https://www.xsyiq.com/6450.html
网站内容如侵犯了您的权益,请联系我们删除。