本文介绍在电路的输入电压过高或过低而无法为负载供电时,配备PassThru™(直通)模式的特殊转换器如何发挥作用。本文将通过示例,说明如何使用配备直通模式的降压-升压稳压器和升压稳压器来提高供电效率和改善EMC性能 。
在某些应用中,现有的电源电压可以直接驱动负载,无需使用额外的电压转换器。有时候,当操作状态出现异常时,电源电压可能过高或过低,无法直接为负载供电。在这些情况下,可以使用针对这种操作优化的特殊电压转换器。例如,工业24 V系统就是这样一种应用。我们假设负载需要24 V电源电压,但是可用的24 V输入电压有时候会升高到38 V,或者降低到15 V,超出负载可允许的电源电压范围。对于这些应用,可以使用典型的升压稳压器或降压-升压稳压器。
图1所示为这类应用的系统示意图。便携式无线电设备由电池提供电压。负载可以接受介于10 V和14 V之间的电压,但电压源的输出范围可能为8 V至16 V。那么内插的降压-升压稳压器可以在输出端将电压转换为12 V。如果电源电压略低于12 V,转换器采用升压模式工作,如果电源电压高于12 V,则采用降压模式工作。

使用直通模式实现改善
诸如图1所示的系统运行良好,但仍然还有改善的空间。如果电压源的电压大部分时间可以直接为负载供电,那么可以在直通模式下使用降压-升压稳压器。此时,在电源设计人员定义的输入电压范围内,输入电压将直接传送至降压-升压稳压器的输出端。这种操作的优势在于不会产生任何形式的开关损耗,且电路效率非常高。此外,由于在这种操作模式下不会产生电流脉冲,电路工作时产生的电磁辐射量极低。
图2所示为配有直通模式的新 LT8210 降压-升压控制器电路的功率级。在这种模式下,H桥的两个高端开关永久开启,两个低端开关永久关闭。通过这种方式,根据电流和电压情况,可以实现近乎100%的效率。

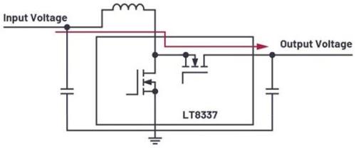
除了降压-升压解决方案(LT8210),升压稳压器也支持直通模式。ADI公司新推出的 LT8337 Silent Switcher ® 升压稳压器本身集成了直通模式。图3展示了LT8337升压转换器背后的这一概念。启用直通模式时,高端开关永久开启,低端开关永久关闭。

在升压稳压器中,高端开关通常通过反激式二极管执行。这样一来,在设置的输出电压之上增加的稳压器电源电压会自动通过电感和反激式二极管。但是,专用的直通模式可以通过主动开启高端MOSFET,帮助有效降低二极管的电压压降。直通模式还负责关闭LT8337的所有不必要功能。因此,IC本身的电流消耗可能仅达到15 µA。这对电池供电的应用尤其效果显著。
小结
直通模式可以提高电源的效率,并改善EMC性能。对于可用的电源电压通常在负载的可允许电压范围内的应用,这些优势的作用尤其明显。但是,用户还必须清楚,在直通模式下,不会在定义的电压阈值范围内发生输出电压调节,虽然在许多应用中并不需要进行这种调节。
本文地址: https://www.xsyiq.com/64.html
网站内容如侵犯了您的权益,请联系我们删除。