制造业知识分享、信息发布平台-兴盛制造网 Email: 206027815@qq.com

让更多了解ZIK紫光同时直营批发紫光全系列产品

分类: 其他 浏览量: 留言数: 47791
ZIK紫光电动机-MS11M-4三相异步电动机-自动化配套紫光减速电机
ZIK紫光电动机-MS11M-4三相异步电动机-自动化配套紫光减速电机--上海梁瑾机电设备有限公司,紫光电机自进入市场以来,深受广大新老用户的信任和支持,ZIK紫光全系列产品工厂驻上海办事处,为广大新老客户提供紫光系列产品的服务及售后工作,让更多了解ZIK紫光同时直营批发紫光全系列产品,请认准ZIK紫光,了解更多紫光产品相关信息,请致电我们.

ZIK紫光电动机-MS11M-4三相异步电动机-自动化配套紫光减速电机--上海梁瑾机电设备有限公司


ZIK紫光电动机-MS11M-4三相异步电动机-自动化配套紫光减速电机中研技术有限公司前身为创建于1997年9月的台州清华机电制造有限公司,是生产设计、制造、销售三相异步电动机、三相异步制动电动机、蜗杆减速机、无极变速器、齿轮减速机及自动化立体仓储设备的民营工业企业。
公司占地面积50173平方米,拥有员工288人,其中有大专及以上学历的专职人员122人、工程技术人员44人,公司注册资金5018万元,资产达15000多万,2017年工业总产值2.2亿元,主营业务收入1.8亿元,其中外贸出口632.8万美元。公司本着“持续进步,不断创新,永续经营”的方针,力争以完善的产品和服务贡献于社会。主要产品获得了CCC产品认证,并于2001年取得了国家外经贸部颁发的进出口资格证书,2003年顺利通过了ISO9001:2000质量管理体系认证和ISO10012:2003计量水平确认合格证书。
十多年来,中研技术一直秉承“以前瞻意识持续推动优化与创新,缔造机电行业受尊重的和谐企业”的公司愿景和“不懈探索,勇于超越”的创新理念,克服并化解了各种困难和风险,取得了相应的业绩。公司先后被授予为温岭市级重点工业企业、温岭市纳税大户、省级高新技术研发中心、台州市诚信民营企业、浙江省科技型中小企业、浙江省工商企业信用AA守合同重信用单位等荣誉称号,“紫光”商标被授予为“浙江省”。 一直以来,中研技术凭借优良之品质与完善之服务赢得了国内外顾客的信赖和支持,产品遍及全国各地,并出口到欧美及东南亚等地。今后,我司仍将秉承“顾客至上、不断创新、持续改进”的品质宗旨,不断开发出“安全、高效、节能、环保”的产品来回馈社会和广大消费者。
产品描述
本产品功率等级覆盖范围广,有9种机座规格;接线座与机体整体铝合金压铸结构,密封性好,符合IP54、IP55的外壳防护等级标准;增强散热筋设计,使机组具备更强的冷却能力;精确的动平衡校正及的低噪声轴承,使电机动行更加平稳,密封更可靠安全;符合IEC尺寸标准及IM安装结构方式,具备优良的互换性。

材料选用铝合金外壳,调质处理的40C钢轴,电磁线采用聚酯QZ-2;聚酰亚胺QY-2;硅钢片:DR490-510;轴承:CU;NSK;NTN;SKF

涂漆:—铝合金表面抛丸后进行防腐处理,铝合金本色

—兰色丙烯烤漆

所有通用电机执行统一的制作标准

电机功率等级及尺寸:GB4826-84;GB4772.2-84;IEC72

电气规范:GB755-87;IEC34-1

结构及安装型式:GB997-81;IEC34-7

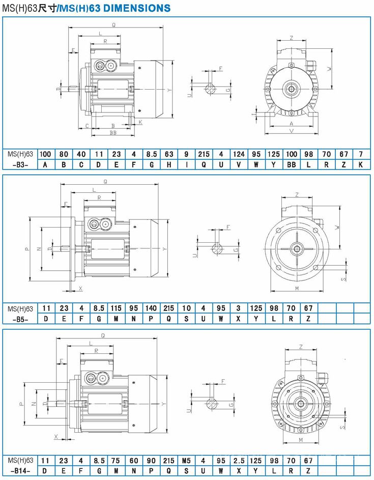
MS系列三相异步电机性能参数

ZIK紫光电动机-MS11M-4三相异步电动机-自动化配套紫光减速电机--上海梁瑾机电设备有限公司

ZIK紫光电动机-MS11M-4三相异步电动机-自动化配套紫光减速电机--上海梁瑾机电设备有限公司

ZIK紫光电动机-MS11M-4三相异步电动机-自动化配套紫光减速电机--上海梁瑾机电设备有限公司

ZIK紫光电动机-MS11M-4三相异步电动机-自动化配套紫光减速电机--上海梁瑾机电设备有限公司

ZIK紫光电动机-MS11M-4三相异步电动机-自动化配套紫光减速电机--上海梁瑾机电设备有限公司

ZIK紫光电动机-MS11M-4三相异步电动机-自动化配套紫光减速电机--上海梁瑾机电设备有限公司

ZIK紫光电动机-MS11M-4三相异步电动机-自动化配套紫光减速电机--上海梁瑾机电设备有限公司

ZIK紫光电动机-MS11M-4三相异步电动机-自动化配套紫光减速电机--上海梁瑾机电设备有限公司

ZIK紫光电动机-MS11M-4三相异步电动机-自动化配套紫光减速电机--上海梁瑾机电设备有限公司

ZIK紫光电动机-MS11M-4三相异步电动机-自动化配套紫光减速电机--上海梁瑾机电设备有限公司

ZIK紫光电动机-MS11M-4三相异步电动机-自动化配套紫光减速电机--上海梁瑾机电设备有限公司

ZIK紫光电动机-MS11M-4三相异步电动机-自动化配套紫光减速电机--上海梁瑾机电设备有限公司

ZIK紫光电动机-MS11M-4三相异步电动机-自动化配套紫光减速电机--上海梁瑾机电设备有限公司

ZIK紫光电动机-MS11M-4三相异步电动机-自动化配套紫光减速电机--上海梁瑾机电设备有限公司

ZIK紫光电动机-MS11M-4三相异步电动机-自动化配套紫光减速电机--上海梁瑾机电设备有限公司

ZIK紫光电动机-MS11M-4三相异步电动机-自动化配套紫光减速电机--上海梁瑾机电设备有限公司

ZIK紫光电动机-MS11M-4三相异步电动机-自动化配套紫光减速电机--上海梁瑾机电设备有限公司

结构特点:

--从0.025KW-7.5KW的功率等级范围,9种机座规格.

--接线座与机体整体铝合金压铸结构,密封性好符合IP54、IP55外壳防护等级标准.

--增强散热筋设计,使机组具备更强的冷却能力.在恶劣的环境下维持电机良好的运行性能.

--精确的动平衡校正及的低噪声轴承,使电机运行更加平衡、静音.

--提供B级、F级绝缘等级制造.

--预设置的出轴密封装置,与变速机、减速机配套连接时,密封性能可靠安全.

--符合IEC尺寸标准及IM安全结构方式,具备优良的互换性.

统一标准:

所有通用电机执行统一的制作标准:

--电机功率等级及尺寸:GB4826-84;GB4772.2-84;IEC72

--电气规范:GB755-87;IEC34-1

--结构及安装型式:GB997-81;IEC34-7

--外壳防护等级:GB4942.1-85;IEC34-5

--冷却方式:GB/T1993-93;IEC34-6

外壳防护等级:

电机的外壳防护等级表示电机在以下两个方面的防护能力:

(1)防止人体接触电机内部带电或转动部分和防止固体异物进入电机内部的能力

(2)防止水进入电机内部的能力

本公司制造的电机采用接线盒与机体一体压铸,并在外壳所有出轴及接合处均设有密封装置可以达到IP54、IP55的防护等级.

ZIK紫光电动机-MS11M-4三相异步电动机-自动化配套紫光减速电机--上海梁瑾机电设备有限公司

ZIK紫光电动机-MS11M-4三相异步电动机-自动化配套紫光减速电机--上海梁瑾机电设备有限公司

ZIK紫光电动机-MS11M-4三相异步电动机-自动化配套紫光减速电机--上海梁瑾机电设备有限公司

ZIK紫光电动机-MS11M-4三相异步电动机-自动化配套紫光减速电机--上海梁瑾机电设备有限公司

ZIK紫光电动机-MS11M-4三相异步电动机-自动化配套紫光减速电机--上海梁瑾机电设备有限公司

ZIK紫光电动机-MS11M-4三相异步电动机-自动化配套紫光减速电机--上海梁瑾机电设备有限公司

ZIK紫光电动机-MS11M-4三相异步电动机-自动化配套紫光减速电机--上海梁瑾机电设备有限公司

中研紫光电机订货须知:
1、订购电机需要确定电机安装方式,机体颜色,型号,配件,如果非标定制法兰和轴请提供出图。
2、中研紫光电机品牌:清华紫光 保证紫光原厂出品假一罚十。
3、型号:MS系列产品与YS系列产品,Y2系列产品为同一种,只是型号进行了升级更改不影响使用,其产品尺寸相同,产品性能,防护等级按照要求升级提高。
4、默认配置:防护等级为IP54 B级绝缘 电压3kw以下为三相380V/三相220V 50/60HZ 4kw以上为三相380V 50/60HZ 如需其他电压需定制.
5、一般常用电机型号常年备货,如无现货标准品货期为5-7工作日左右,提前做好提前发货。非标品货期电议。
6、包装:一般为纸箱包装 大功率为木箱包装 数量多用托盘。
7、运输物流:江浙沪30kg一下发快递 30kg以上为物流,均送货上门; 其他偏远地区视情况而定,如需送货上门请说明,运输过程中出现损坏请及时致电我们!
ZIK紫光电动机-MS11M-4三相异步电动机-自动化配套紫光减速电机

本文地址: https://www.xsyiq.com/47791.html
网站内容如侵犯了您的权益,请联系我们删除。

标签: 上一篇: 下一篇: