
Q:请问仙知机器人对使用环境有哪些具体的要求?
A:一方面,对地面环境要求:地面平整,无杂物(如小石块等);地面坡度≤5°;无高于1cm的地面台阶。
另一方面,对空间环境的要求:室内光线良好;环境温度-10℃~50℃;环境湿度10-95%,无压缩冷凝。
Q:机器人对工厂现场网络有什么要求?
A:工业WiFi,要求宽带速度值 ≥100Mbits、信号强度≥-60dbm、网络延时平均值≤100ms。

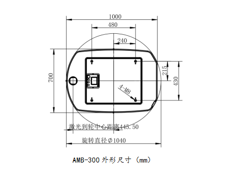
Q: AMB-300无人搬运底盘的旋转半径是多少?
A:AMB-300的旋转半径是520mm,其它规格的旋转半径及更多数模信息可在官网下载专区查看。
Q:机器人充满电量需要多久?续航多长时间?
A:快充只要2~3小时即可充满;AMB-50充满可续航6h*,AMB-150、AMB-300、AMB-500充满可续航16h*。
*实际值取决于环境条件

Q:当机器人正在自主充电过程中,有工作任务需要执行时怎么办?
A:当机器人电量大于50%时,执行工作任务的优先级会大于充电,这时机器人便会离开充电桩去执行任务;当电量小于50%时,便会继续充电。
Q:如果购买多台型号一样的AMB系列无人搬运底盘,实际应用中如何分辨?
A: 在移动机器人投入使用后,路由器会派发给机器人一个IP地址,并在操作面板上显示,这是分辨移动机器人最有效的方式。
本文地址: https://www.xsyiq.com/2598.html
网站内容如侵犯了您的权益,请联系我们删除。