电动汽车构成了未来实现可持续交通部门的有前途技术的主要部分。AC/DC 转换器是扩展和改进 EV 功能的骨干组件。本文概述了 AC/DC 转换器、充电站类型、传统两电平 (2L) AC/DC 转换器面临的问题以及使用多电平转换器 (MLC) 的重要性。

AC/DC转换器的意义
插座主要提供交流电,而 EV 电池使用直流电为电池充电。因此,需要一种用于将交流电转换为直流电的交流/直流转换器。它也是 EV 电池充电器的主要组件,并充当用于功率因数校正和谐波减少的输入电流整形器。

上面的电路图说明了一个简单的 AC/DC 转换器:这里使用四个通用整流二极管来对 AC 输入进行整流。变压器的功能是将 230-VAC 电源降压至 13 VAC,电路布置为全桥,因为它由四个二极管组成。整流器将对交流信号的正峰值和负峰值进行整流。在桥式变换器之后加一个滤波电容来平滑输出电压。此外,齐纳稳压器连接在输出前的反向偏压中以调节输出电压。
充电站的种类
由于充电电池是电动汽车运行的动力,因此了解充电站的一些参数非常重要。电源效率、紧凑型架构和快速充电等大多数基本参数将决定目标充电站的整体生产力。
电动汽车充电站分为、二级和三级。
I 级构成较小电池尺寸的部分。Level I 的充电时长约为 8 至 10 小时;但是,这可能会因电池的能量容量而异。它仅使用交流充电,并且有一个车载充电器,因为充电组件位于 EV 内部。
Level II 的充电时间约为 Level I 充电时间的一半。此外,三级快速充电站使用外部充电器(非车载)提供高压。它能够在短短 20 到 30 分钟内为电动汽车充电,而或二级充电站可以在四到八小时内为车辆充电。
启用快速充电站的要求
快充的功率范围在50千瓦以上,按照行业标准算高了。因此需要更大的 AC/DC 转换器来为快速充电提供额外的电力。因此,大功率充电在充电站内置 AC/DC 转换器的情况下进行,而不是由于尺寸限制而安装在车辆内。
汽车工程师协会 (SAE) 标准定义的快速充电站的另一项要求是“配电网和电池组之间的电流隔离”。有两种架构可用于实现这一点,一种是在输入侧使用低频变压器,另一种是通过隔离式 DC/DC 转换器在直流级中实施高频变压器。
传统的 AC/DC 转换器及其缺点
通常使用传统的 AC/DC 转换器,例如 2L 电压源转换器 (VSC)。使用这些转换器的缺点是它们具有有限的额定功率和高谐波污染。为了避免这些缺点,使用了混合滤波器,但这些滤波器也增加了系统的成本。这些转换器也有不希望有的高开关频率。在大功率应用中,开关会承受大量电压和电流,并且受到半导体器件现有技术的限制。
MLC 的重要性
为了克服这些挫折,2L AC/DC 转换器应该被 MLC 取代。MLC 已被证明具有许多优点,例如低谐波、低电压应力和高功率能力。MLC用于减少开关元件并由单相T型变换器产生多电平输出。
不同数量的 MLC 电平可实现更平滑的输出波形,从而减少谐波和输出滤波器尺寸。MLC 的主要类型是中性点钳位 (NPC)、级联 H 桥 (CHB) 和快速电容器 (FC)。其中,的 CHB 能够在各个 H 桥电池上使用不同的直流电压,从而将功率转换分为高压/低频和低压/高频逆变器。

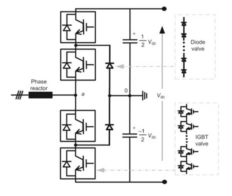
上图表示三电平 NPC 逆变器的一相。它们是 MLC 系列,其特点是使用钳位二极管来保证电源开关之间的适当电压共享。NPC 逆变器的每条支路都有四个可以控制的晶体管,总共提供 24 = 16 种可能状态,但其中只有三种状态是可行的,因为其他状态会在直流链路上造成短路。
电动汽车充电的未来
从内燃机到电动汽车的转变是一个长期过程。许多石油公司已经通过建立充电站或推广旨在维护电动汽车的产品,在电动汽车网络中占有一席之地。未来的预期工作期待在 FC 中使用 MLC,以从这些转换器的各种优势中受益,同时为电动汽车提供高功率和超快速充电系统。为了帮助电动汽车普及,政府和电动汽车充电公司必须确保快速充电基础设施的可用性。如果没有高效的充电基础设施,电动汽车的普及可能是一个缓慢的过程。
本文地址: https://www.xsyiq.com/171.html
网站内容如侵犯了您的权益,请联系我们删除。