对于LED电源来说,直接驱动LED光源一般要求恒流输出,越来越宽的输出电压电流范围要求使得LLC拓扑越来越难满足要求,特别因低输出纹波要求而不能进入间歇模式。因为LCC拓扑可以更容易实现宽输出电压电流范围要求,近年来在LED驱动器上得到越来越多采用,其中ICL5101/02作为集成PFC和半桥谐振控制器,同时支持LLC及LCC拓扑,由于高度集成(SO-16集成PFC+半桥),优异的THD,低待机功耗,较好的满足了客户的要求。
LCC拓扑用在照明上虽然不是全新的拓扑(广泛用于日光灯驱动器,比如英飞凌的ICB2FL01/2/3等,只不过不需要用到隔离变压器),不过使用在LED驱动器上,还是近几年的事。相比LLC拓扑,研发工程师们对LCC拓扑还没有那么熟悉,在设计/优化LCC拓扑电源时遇到情况比较多,在此分享一些我们的经验,希望抛砖引玉,主要包括以下内容:
- LLC与LCC的主要区别及优缺点
- 基于ICL5102使用LCC拓扑的应用经验
- 基于ICL5102参考样品测试结果
1. LLC与LCC的主要区别及优缺点
在上一篇文章《采用LCC拓扑实现宽输出范围中大功率LED驱动电源》已经简要介绍过LLC和LCC拓扑的区别以及LCC拓扑应用在恒流LED电源的好处。同样作为谐振软开关拓扑,LCC和LLC一样是零电压导通实现高效率,在拓扑选择上,需要尽可能了各自的优缺点以及客户的具体要求,以下谈谈几方面的对比。
电路拓扑
LLC拓扑(图1):变压器初级电感与负载等效电阻的并联后,再相继串联谐振电感与谐振电容
LCC拓扑(图2):在LLC电路上,采用比较大的谐振电感值,并联一个电容在变压器初级或次级绕组上,同时谐振变压器不磨气隙,励磁电感量比较大(比如Lp>10mH),可以忽略初级电感而近似认为负载等效电阻Re并联谐振电容Cp,再相继串联谐振电感Ls和谐振电容Cs。

输出范围
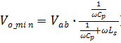
同样的工作频率范围,LCC可以比LLC提供宽很多的输出电压电流范围:从电路上看LLC在输出电流等于0时,最小输出电压由输入电压Vab,Lm与Ls,Cs的分压决定,当频率增加到一定值后,Cs的电压降接近0,继续增加频率也无法进一步减小输出电压(
);而LCC因为Cp并联在变压器初级或次级,随着工作频率的增加,Cp的等效阻抗越来越接近0,Vo_min可以接近0(
)。这是为什么LCC拓扑可以实现超宽输出电压电流范围的原因。
参考下图的仿真计算(样品实例),Ls=700uH,Cs=22nF(跨接在NSA及NSB上),Cp=4.2nF,NP:NSA:NSB=33:12:12,工作频率范围是60-250kHz,可以实现输出电压电流(图3):28.9V,0-2800mA;50V,0-2500mA;60V,0-2333mA;70V,0-2000mA;75V,0-1750mA;将Cs改为8nF,可以实现输出电压电流(图4)13.2V,0-2800mA;50V,0-2500mA;60V,0-2333mA;70V,0-2000mA;80V,0-1750mA。不同的并联电容Cp取值会对最大最小输出电压及整机的效率有影响(电容越大,输出范围越宽,无功容性电流越大,器件内电阻的损耗也会越大),采用LLC拓扑,要实现这么宽的输出电压电流范围是不能想象的,尤其在无频闪要求不能进入间歇工作模式以及需要确保足够高的转换效率前提下。

图3 Cp=4.2nF

图4 Cp=8nF
短路特性
因为LCC拓扑有很好的“恒流”特性,所以有非常好的抗输出短路能力,合理的设计可以确保短路时的输出电流比最大输出电流稍大,只要VCC高于欠压保护点,可以在输出短路的时候持续稳定工作;而对于LLC拓扑,在短路或过载的时候,如果输出电压降低太多又没有触发欠压保护,就可能出现输出电流过大而烧毁的情况。
转换效率
同样都是零电压导通软开关谐振,LCC和LLC的效率理论上没有差异,具体项目因为器件的损耗,尤其是谐振电感的铜铁损优化的程度会有不同的结果。具体来说,LCC因为变压器励磁电感很大,励磁电流比LLC要小得多;因为采用比较大的谐振电感值,大电感量有助降低半桥的最大电流,在开机及输出短路时的应力小很多,可以采用比较小的开关管以优化成本。文末参考设计在Vin=230Vac及80V1.75A输出时,板端效率94.97%。
谐振零件
如上述,LCC通常要求比较大的谐振电感量,兼顾最大峰值电流(尤其在“输出恒功率”应用),谐振电感的尺寸会比较大,同时需要一个并联在变压器主绕组上的电容。总的来说,LCC拓扑可以大幅度拓宽输出范围,增加设计的灵活性,并且不需要进入间歇工作模式从而实现完全无频闪。
2. ICL5102应用经验
英飞凌PFC+LLC/LCC谐振控制集成电路ICL5102,是在ICL5101的基础上,主要拓展最大工作频率到500kHz,进一步拓宽输出电压/电流范围,提高整机效率;增加间歇工作模式,实现低待机功耗;进一步优化PFC设计,谐波失真THD更好;增加输入欠压保护。
实现低待机功耗
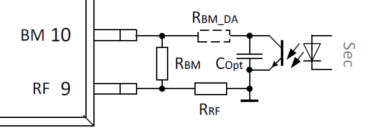
见图5,恒流/恒压反馈电路通过光耦控制BM脚电压,随着输出电流/电压的减小,BM脚电压逐步降低,工作频率增加,当BM脚(Pin10)电压低于0.75V并超过10mS,半桥进入间歇工作模式。实际测试ICL5102在超宽输出范围应用,也实现了400mW待机功耗。
- 关闭间歇工作模式
对于待机功耗和/或启动时间要求不高的应用,可以加大图5中的RBM_DA使其大于(3/7)*RBM即可关闭间歇工作模式以避免轻载时可能出现的闪烁。

图5 RBM_DA功能

图6 简化Vcc电路
- 简化Vcc电路
可用上拉电阻+PFC辅助绕组充电泵,可以使VCC电压与输出电压无关,见图6所示。
- 对于最低输出电流比较大又有待机要求的应用
可以使能间歇工作模式,并设置最大工作频率小于空载持续工作时的工作频率,让电源在空载时进入间歇模式,降低空载功耗。比如输出83伏/0毫安时,半桥的工作频率是186kHz,可以设置最大工作频率在170kHz,在输出83V空载时也可以进入间歇模式实现较低的待机功率,不过最小输出电流会比较大,比如200mA。
- 对于智能照明(比如Dali带dim-to-off)
可以在调光电压稍大于0V时进入间歇模式,也可以降低待机时的输出电压进一步降低待机功率,如下图7:在DIM+低于某一值(比如0.1V)U2-PIN7输出低电平,T2开路,Vout降低(比如32V);
正常工作时,U2-PIN7输出高电平,T2近似短路,最高输出电压升高(比如83V)。
- 对于最小输出电流非常接近0的应用
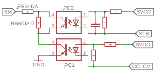
可以加上一个“间歇模式使能”开关并设置合适的RBM-DA及RBMDA-2电阻值(图8):
待机时(比如DIM+电压小于0.1V)运放U2B拉低STB(图7),PC2 PIN3-4短路RBMDA-2(图8),进入间歇工作模式实现低待机功耗,正常工作时拉高STB,PC2 PIN3-4开路,禁止间歇模式,避免频闪。

图7 待机时降低输出电压电路

图8 间歇模式使能电路
- 外加启动电路:

图9 外加启动电路
对于待机功耗要求高的应用,需使用外加启动电路。如图9所示,接入交流后,因为耗尽型MOSFET T3的VGS=0V, T3导通,电流从PFC+,R5,T3,R40等对VCC电容充电,当VCC电压达到16V启动电压后,控制器开始工作,PFC电压持续升高,半桥开启后延迟一定的时间T4导通,T3 VGS被负电压偏置而截至,启动过程结束。
当半桥停止工作后约100毫秒(与R57,C27时间常数有关)T3重新导通给Vcc电容充电以再次启动IC;在T3导通期件,稳压二极管D23(18V)防止产生过高的Vcc电压(比如最大19V),然后通过电阻R40确保加载在IC Vcc上的电压不会超过16.5V/5mA。
雷击时上述电路可以快速释放PFC电容上的高电压:启动电路在半桥停止工作后约100毫秒重新开始工作,将PFC输出电容放电到105%以下而解除PFC过压保护,半桥重新开始工作,避免轻载打雷击时长时间熄灯的情况。实际测试在4.5kV差模雷击电压,输出26V/100mA的时候,首先触发PFC109%过压保护,PFC开关停止工作,然后触发PFC 115%过压保护,半桥停止工作,因为启动电路的放电作用,大约0.6秒后PFC电容降到105%,过压保护解除,半桥恢复工作,负载LED再次被点亮。
-优化半桥上下管的“不平衡”问题

图10 优化半桥的不平衡
主要避免BM脚(PIN10)被干扰,因为Pin10与光耦相连,铜箔比较长,尤其从强干扰源旁边通过的情况下。串联一个电阻在BM脚与光耦之间(见图10的“R4”)同时在PIN10与PIN4(GND)之间加2.2nF电容(如有必要可以再加一个电容“CB”尽量靠近IC)以减小干扰电压转化而来的干扰电流对工作频率的干扰导致半桥工作不平衡或不稳定。
- 谐振腔设计
建议反射电压(输出电压×变压器匝比)约等于PFC输出电压的一半,大的反射电压需要大的并联谐振电容Cp导致较低的效率,要平衡好增益余量和效率的关系,建议考虑元件误差,采用仿真及最差样品测试,确保材料误差符合要求;在所有参数最差的条件下,不能出现增益不足的情况;同时避免过多的增益余量导致效率降低。
- 最小调光能力
如前所述,LCC拓扑可以在非常宽的输出电压范围内,最小输出电流可以到0mA------最小调光能力更多挑战次级电流侦测运放的精度:过小的电流检测电阻要求低运放的失调电压,较大的电流侦测电阻导致比较大的电流检测损耗(I2R)。比如使用LM358A,失调电压+/-3毫伏,如果采用75毫欧电流侦测电阻,最小的输出电流就是+/-40毫安,因为Iout_max=1.75A,最小的调光就是40/1750=+/-2.3%,除非采用更大的采样电阻(损耗变大)或更小失调电压的运放(价格更高),最小调光无法进一步减小。
-输入欠压保护(BO)

图11 输入欠压保护
BO(Pin12)的电压超过1.4V并维持1uS,IC开始工作;如果BO脚的电压低于1.2V并维持50mS,IC停止工作等待BO(Pin12)的电压超过1.4V并维持1uS再恢复工作。建议加一个10nF/1kV的瓷片电容(图11中的”C7”),以避免出现欠压保护后反复重启的情况。
3. ICL5102参考样品测试结果实例
采用英飞凌ICL5102实现140W的PFC + LCC拓扑超宽输出电压范围LED驱动电源。以下是具体规格。

参考样品采用LCC拓扑结构,次级采样实现恒流反馈,并能实现0-10V调光。PFC开关管采用了英飞凌的高性价比P7系列CoolMOSTM IPA60R180P7,LCC开关管采用英飞凌CoolMOSTM IPD60R600P7。
实际测试V-I曲线如图12中的红线所示,红线包围的范围就是此电源的输出范围,右上红色线段是输出功率等于140W的区间。输出电压和输出电流的范围都能达到上面表格1的极宽的范围。
图中的蓝色线是输入电压为230V,输出电流为最大值2.8A条件下,在板端测试得到的效率曲线,

图12中绿色的四个点对应输出功率140W条件下输出电压从50V到80V的效率,整体效率达到93%以上,最高达到94.93%,这都是在实现极宽输出范围下仍然得到的性能。
蓝色效率线上的蓝色点是轻载效率,在12V,2.8A条件下效率接近80%,而20V,2.8A的25%负载条件下仍然达到85%以上。
ICL5102同时提供非常好的PFC转换性能,图13是不同输入电压及负载条件下的谐波失真THD:230Vac 100%负载,THD低于5%;285Vac 70%负载,THD小于10%,远低于EN61000-3-2 class C要求。

4. 结论
英飞凌集成“PFC+半桥谐振”控制器ICL5102,采用LCC拓扑可以在较窄的频率变化范围内,实现超宽的输出电压及电流调节范围,在宽输出电压电流应用相比LLC拓扑有较大优势。
另有针对高压输入应用(Vin=480ac)的版本ICL5102HV。
(作者:江万春为英飞凌科技应用中心FAE主任工程师;钱家法为英飞凌科技应用中心FAE经理)
本文地址: https://www.xsyiq.com/15762.html
网站内容如侵犯了您的权益,请联系我们删除。