超声波(Ultrasound)是指频率高于两万赫兹的声波,在工业、医疗等领域均有具体应用。随着医疗技术的进步和设备的不断更新,超声已经成为医学领域不可或缺的应用技术。医学超声设备主要利用超声波对于人体不同部位反馈产生的信号或能量属性,对于人体的异常状态或疾病进行诊断或治疗。
目前,医学超声应用最多的领域就是利用超声技术进行诊断,主要通过超声声束扫描人体部位成像,即通过对反射信号的接收、处理,以获得体内器官的图像。随着医疗超声设备探头的实时移动获得患者体内器官的具体图像,可提供浅表、腹部、心脏、妇产、泌尿、肌骨等全方位扫查,是软组织检查的常见诊断方法。

超声的技术趋势
数字化和小型化是目前医学超声的主要发展趋势之一。传统的推车式、大探头超声设备体积巨大且价格昂贵,而现在市场中的小型化超声设备经过更新发展,在保证图像清晰和高分辨率的同时,不仅功能更完善、探头也更多样化。这些新型的小型设备能更好的满足医院临床科室、基层医疗市场、院外灾害急救等多种场景的需求,降低医疗工作者的工作难度。
国内外有不少厂商都在推进上述趋势,其中有一些技术更是行业内普遍有感知的,比如可以放到设备探头中的子波束形成器(Sub Beamformer),对温度敏感且要求极低功耗的超低功耗(Ultralow Power),以及目前业内普遍感兴趣的无线连接(Wireless Connection)。

除此之外,医学超声的另一个发展方向就是高性能,这也是目前全球医学超声共同的努力方向。从大范围来说,近些年国内的厂商在这个方向上正在逐步和国际厂商接轨,但在心脏科等主要关键领域依然和国际顶级的应用有差距,比如更高的图像质量、更全面的功能以及更好流程等。
从技术角度来说,更高的图像质量就意味着更低的噪声、更高的信噪比(SNR),而更高的信噪比又对通道数提出了更高的要求,从以前的32、64通道到现在的128甚至256通道。近十年来整个接收端的模拟性能并没有太大提升,虽然通过线性发射和增加通道数可以带来一定的效果,但与此同时多波数也意味着波束形成器的数据量越来越大,所以Software Beamformer也是追求高性能的一个趋势。
ADI 的医疗超声解决方案
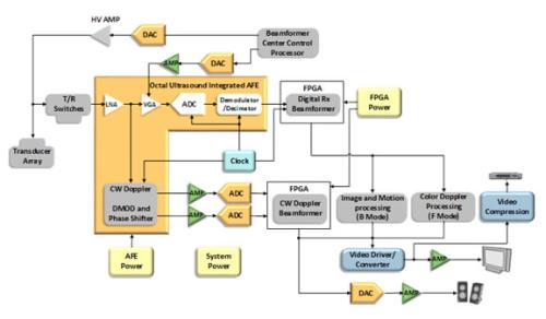
在医疗超声整个行业中,ADI能提供低噪声、低功耗模拟前端、精密放大器、转换器以及电源等解决方案,在业内拥有较高的知名度。从下面超声整体解决方案的架构图中可以看到,除去探头(Transducer)和FPGA的波束形成器(Beamformer)等这类非芯片厂商产品,ADI的产品几乎涵盖了包括发射链路、接收链路等在内的整个超声系统。下面将依次从发射链路、接收链路、时钟以及电源管理几个方面来介绍一下ADI的相关代表产品和解决方案。

发射部分目前市面上有两种方法:第一种是Pulser + Beamformer的方式,第二种就是上面提到的线性发射。两者架构不同,前者主要是用于产生一个高压的脉冲来驱动探头,后者的架构是在DAC + Beamforme的基础上还加了一个高压放大器。
MAX14815是一款高度集成的八通道5级高压超声波发射器(脉冲发生器)。脉冲发生器生成高频高压的双极脉冲用于通过两对独立的高压电源驱动超声系统中的压电式传感器。每个通道可以传输高达200Vpp,具有高达2A电流能力,并集成2A有源钳位(归零)。可编程电流能力低至0.4A。
该发射器可用于控制脉冲发生器的嵌入式数字资源(SRAM和状态机)支持发射波束形成,从而大幅减少互连数量和FPGA I/O数量。嵌入式数字资源通过高速串行接口进行编程,并支持复杂的发射技术,例如用于突发整形的PWM技术和用于波束整形的变迹技术。
MAX14815还集成了八路独立的低噪声、低阻抗有源T/R开关。T/R开关可以在外部配置为支持接收多路复用,其中使用的接收通道数量少于发送通道数量。该器件也可以由外部数字源(FPGA)通过传统的专用CMOS逻辑输入来控制。除超声医学成像外,该产品还用于高压传感器MEMS驱动器、超声波工业应用(NDT)等,可简化便携式超声系统设计并节省功耗。

AD9106 TxDAC®和波形发生器是高性能四通道数模转换器(DAC),是一个12位输出、最高180 MHz的主机时钟正弦波发生器,带24位调谐字,支持10.8 Hz/LSB的频率分辨率,集成片上模式存储器,用于复杂波形生成,具有直接数字频率合成器(DDS)。
该波形发生器具有针对全部四个DAC的单路频率输出,内置模式控制状态机允许用户对全部四个DAC的模式周期以及每个DAC通道信号输出的周期内起始延迟进行编程。SRAM数据可包含直接生成的存储波形、施加于DDS输出或DDS频率调谐字的幅度调制模式。
AD9106提供出色的交流和直流性能,并支持高达180 MSPS的DAC采样率。其SPI接口用于配置数字波形发生器,并将模式载入SRAM,在数字信号传送至四个DAC的过程中对信号进行增益调节和失调调节。该器件具有灵活的工作电源范围(1.8 V至3.3 V)和低功耗,非常适合便携式和低功耗应用。

对于ADI接收链路的产品,结合当前市场重点推荐专用于支持医疗超声应用的AD9671,针对低成本、低功耗、小尺寸及易用性而设计。它内置8通道的可变增益放大器(VGA)、低噪声前置放大器(LNA)、具有可编程相位旋转功能的CW谐波抑制I/Q解调器、抗混叠滤波器(AAF)、模数转换器(ADC)以及用于处理数据和降低带宽的数字解调器和抽取器。
该集成数字解调器的每个通道均具有最大52 dB的增益、完全差分信号路径以及有源输入前置放大器终端,通道专门针对高动态范围与低功耗而优化设计,适合要求小尺寸封装的应用。此外LNA具有单端转差分增益,可以通过SPI进行选择。CW多普勒模式下,各LNA输出端驱动一个I/Q解调器,各解调器具有独立可编程的相位旋转和16种相位设置。
AD9671各通道可单独进入省电模式,从而延长便携式应用的电池使用时间,利用待机模式可以快速上电以便开机重启。以CW多普勒模式工作时,VGA、AAF和ADC均进入省电模式。ADC内置多种功能特性,例如可编程时钟、数据对准、生成可编程数字测试码等,可使器件的灵活性达到较佳、系统成本降至较低。

AD9528是结合当前市场重点推荐的ADI时钟产品。它是一款双级PLL、集成JESD204B/JESD204C的SYSREF发生器,可用于多器件同步。第一级锁相环(PLL) (PLL1)通过减少系统时钟的抖动,从而实现输入基准电压调理。第二级PLL(PLL2)提供高频时钟,可实现来自时钟输出驱动器的较低积分抖动以及较低宽带噪声。
外部VCXO提供PLL2所需的低噪声基准电压,以满足苛刻的相位噪声和抖动要求,实现可以接受的性能。片内VCO的调谐频率范围为3.450 GHz至4.025 GHz。集成的SYSREF发生器输出单次、N次或连续信号,并与PLL1和PLL2输出同步,以便对齐多个器件的时间。
AD9528产生最高频率分别为1.25 GHz和1 GHz的六路和八路输出,每一路输出均可配置为直接从PLL1、PLL2或内部SYSREF发生器输出,14路输出通道的每一路都包含一个带数字相位粗调功能的分频器,以及一个模拟微调相位延迟模块,允许全部14路输出具有时序对齐的高度灵活性。还可用作灵活的双通道输入缓冲器,以便实现14路器件时钟和SYSREF信号的分配。

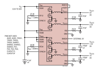
最后,关于电源管理,荐一款四通道40VIN、3A降压型Silent Switcher μModule®稳压器LTM8060。Silent Switcher架构可将EMI降至最低,同时在高达3MHz的频率下实现高效率运行。封装中内置控制器、功率开关、电感和其他相关元件。
LTM8060支持宽输入电压范围,0.8V至8V的输出电压范围,以及200kHz至3MHz的开关频率范围,各范围分别通过单个电阻进行设置。只需使用输入和输出滤波器体电容就可以完成设计;还可配置输出阵列,可以通过阵列并联输出实现高达12A的电流能力。

ADI公司的创新技术和系统专业知识正在帮助塑造医疗健康行业的未来,其产品和解决方案在医疗超声领域把握小型化、数字化以及高性能发展趋势的同时,也为市场未来的技术创新提供了基础,能帮助市场更好地迎接各类挑战。
本文地址: https://www.xsyiq.com/138.html
网站内容如侵犯了您的权益,请联系我们删除。