









名称:跳闸闭锁继电器品牌:JOSEF约瑟型号:HJTB-9222额定电压:110、220V触点容量:250V/5A动作时间:≤10mS
HJTB系列跳闸闭锁继电器
系列型号
HJTB-9222跳闸闭锁继电器
1. 概述和应用
HJTB系列跳闸闭锁继电器用于断路器跳闸后的闭锁保护,防止断路器合闸于久线路、或跳闸命令开关卡涩、或跳闸微机保护输出接点误保持而使断路器发生跳跃,也可扩张断路器的跳闸触点数量。
2. 性能和特点
(1).继电器触点的高开关容量;
(2).本地跳闸按钮、本地跳闸保护继电器、远方DCS跳闸命令接点多路输入;
(3).本地手动或远方电动复位;
(4).高抗干扰能力,有效防止DCS远控电缆感应电压存在而引起的误动作;
(5).跳闸闭锁迅速可靠;
(6).设有跳闸闭锁指示灯,清晰明了;
(7).宽动作电压范围,110V额定电压:70~150V;
220V额定电压:100-300V。
3.功能
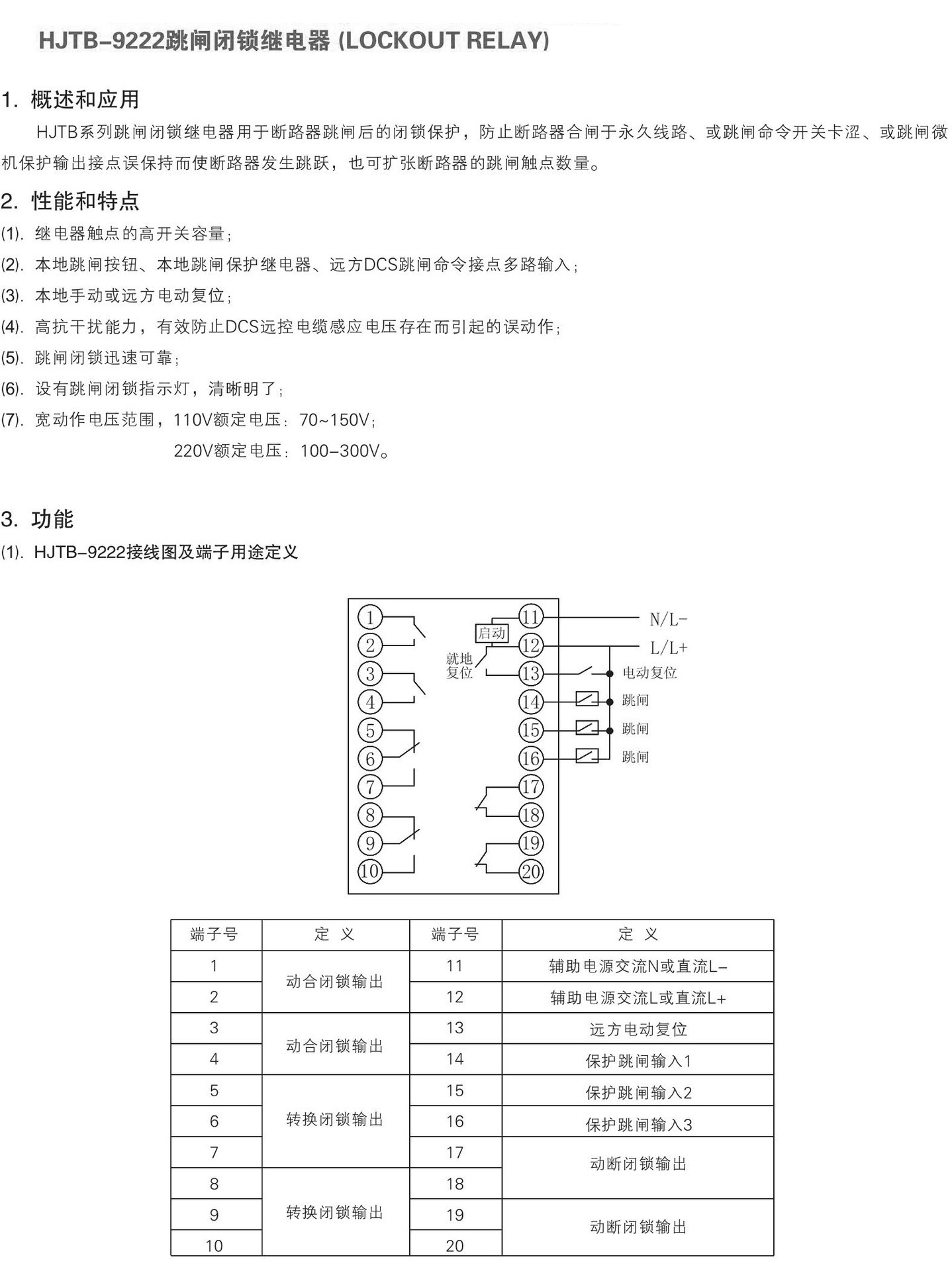
(1).HJTB系列跳闸闭锁继电器接线图及端子用途定义
HJTB系列跳闸闭锁继电器接线图
(2).功能
A: 将跳闸信号(微机综保保护出口继电器、手动或远方跳闸命令)接入到HJTB-9222的14、15、16端子,跳闸时,输出继电器接点同时动作。
B: 跳闸闭锁继电器面板上设有动作指示灯,当继电器动作跳闸闭锁时,指示灯亮。只有当跳闸继电器手动或远方复位时,指示灯灭。(辅助电源要一直加电。若跳闸动作后辅助电源消失,指示灯将熄灭,跳闸闭锁继电器也无法手动远方复位,直到辅助电源恢复,指示灯亮,跳闸闭锁继电器可选择本地手动或远方复位)。
C: 为保证可靠跳闸,跳闸输入信号至少保持100ms。
D: 复位功能使用:当跳闸输入动作后断开,此时可按压此继电器面板上的复位按钮或远方复位;若跳闸输入命令保持时,手动或远方复位无效。
4. 注意事项
(1).请参照产品标签上的额定电压参数极性给跳闸闭锁继电器供电。超出供电范围会损坏产
品,务必注意!
(2).请参照产品接线图端子号正确接线,检查辅助电源、跳闸输入、闭锁输出和复位均接到
对应的端子上。错误的接线将损坏产品,不能正常工作甚至爆炸起火。
(3).出厂状态为复位状态,输出触点与接线图*。若因运输途中震动冲击,有可能使触点
发生翻转,可使其动作一次再复位。
5. 技术参数及使用条件
(1).输出触点容量:可长期接通5A,可断开250VDC τ=5ms 50W有感直流负载;可断开250VAC COSΦ=0.4 250VA交流负载。
(2).触点动作时间:不大于10ms。
(3).绝缘电阻:用开路电压为500V的兆欧表测量保护器外壳与外露带电接线端子之间,绝缘电阻值大于300MΩ。
(4).介质强度:保护器外壳与外露端子之间,能承受2KV(有效值)50Hz试验电压,历时1分钟无击穿或闪络现象。
(5).环境温度:-15℃~55℃。
(6).无导电气体,无腐蚀性气体,无较强震动。
(7).工作位置:任意。
(8).周围磁场强度:小于0.5Mt 。
(9).工作电压:不大于120%额定电压。
6. 额定电压及安装方式
额定电压规格:DC220V、DC110V、AC220-240V、AC100-120V。
安装方式:35mm导轨安装(外形尺寸见9壳体外形尺寸图)。
HJTB系列跳闸闭锁继电器外形尺寸图
订货须知
订货时须注明继电器型号规格、结构形式代号、板前或板后接线方式、数量及其它要求。
上海约瑟继电器事业部
本文地址: https://www.xsyiq.com/13318.html
网站内容如侵犯了您的权益,请联系我们删除。