艾优花
安科瑞电气股份有限公司 上海嘉定 201801
摘要:介绍了消防设备电源监控系统的基本架构和功能,结合某卷烟厂建设实例分析了在工业建筑中选用消防设备电源状态监控主机、监控传感器的两层结构组网模式的优点,并总结了消防电源监控系统的功能,实现了及时有效的监控消防设备的电源状态,从而在火灾发生时很大限度地保障消防联动的系统安全。
关键词:消防设备电源监控系统; 监控主机; 监控传感器
0 引言
消防设备是大型工业建筑、大体量民用建筑以及人员密集场所建筑中保障消防安全的主要设施,在建筑安全设计中。为保障建筑物的消防安全,在建筑物中设置了大量消防设备:火灾自动报警系统、自动喷洒系统、防排烟系统、电气火灾监控系统、气体灭火系统、应急照明系统等。
消防设备的优劣对于消防安全有着很大的影响,火灾自动报警系统及相关的消防联动设备的工作状态取决于供电电源的工作状态。消防设备电源是否可靠关系着建筑中的消防设施在发生火灾时能否正常运行。长久以来,因设备老化、供电中断造成消防监控设备与防火设备的工作中断,延误了火灾的控制而导致的悲剧屡见不鲜。因此,如何从技术手段实现对消防设备供电电源工作状态的监测就显得很有必要,而相继出台的 GB 25506-2010《消防控制室通用技术要求》、GB28184-2011《消防设备电监控系统》强制性国家标准,充分说明了消防设备电源的监控系统在各类建筑建设中的重要性。本文主要以消防设备电源监控系统中简单的二级组网模式为例,介绍其在某卷烟厂建设中的应用情况。
1、工程概况
某卷烟厂进行异地技术升级改造,规划新建厂区占地约 120 000m 2 ,新建联合生产工房 49 000m 2 ,动力中心 7 500m 2 ,香精香料库 720m 2 ,片烟醇化库22 500m 2 ,生产指挥中心7 910m 2 ,工业垃圾站、污水处理站及大门等零星建筑共 1 440m 2 。 其中联合生产工房为主要生产工房,生产指挥中心为主要的办公大楼,全厂的消防控制室在生产指挥中心内,其他建筑为公用工程配套设施。
根据设计要求需要对全厂消防用电设备的电源工作状态进行全过程连续监测、集中控制和统一调度。
2、系统组网设计
消防设备电源监控系统(基本结构框架见图 1)由系统主机、监控传感器以及诸多消防用电设备等元素组成。 整个系统功能全面、探测准确、性价比高。

图 1 某卷烟厂消防电源设备监控系统拓扑示意图
考虑到卷烟厂厂区面积大,建筑物功能性划分比较清晰且距离较远,消防用电设备主要集中在联合工房、动力中心、生产指挥中心。 全厂消防控制室位于生产指挥中心,设置了两台消防电源监控设备主机,消防电源监控设备主机 A 为联合工房和动力中心等生产工房内的消防用电设备服务,消防电源监控设备主机 B 为消防控制室内部及生产指挥中心等办公区的消防用电设备服务,根据其服务对象的类别及区域位置,通过 CAN 总线将这两台消防电源监控设备主机所监控显示的内容统一在消防控制室内的监控大屏上呈现。
根据某卷烟厂消防电源监控系统拓扑图(图 2)可知,一台监控主机配合不同类型的现场传感器即可监控不同消防设备的电源状态。 根据不同消防设备所需电源以及监控要求选择相应的监控传感器。
由于消防设备的供电电源是双路电源(一路工作电源,一路备用电源),因此结合各个建筑物监控传感器的分布情况,本项目消防设备电源监控系统采用小型组网方式即可,即消防设备电源状态监控器加电压传感器的两层结构组网模式,从而简化了系统结构设计。

图 2 中小型监控系统网络拓扑结构图
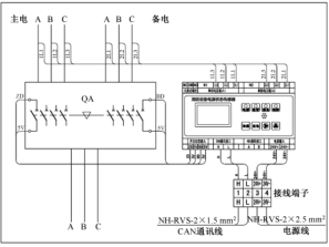
本系统单台标准主机具有 2/4/6 个回路,单个回路通信有效传输距离理论值为 2km。每个回路可连接 128 个不同类型的监控传感器。 监控传感器采用 DC 24V 集中供电,在卷烟厂生产区当传感器距离供电电源≥500m 时需要加装电源中继箱。 每种监控传感器均可通过其内置软件设定与监控主机的通信地址。
本系统通信传输采用 CAN 总线,总线电缆采用NH-RVS2 ×1. 5mm 2 电缆。 监控主机或电源中继箱使用 220V 交流电源供电,电源线缆采用 NH-RVR3×2. 5mm 2 电缆,由消防控制室消防电源提供。 监控主机或电源中继箱为监控传感器提供 DC 24V 电源,电源线采用 NH-BV2 ×2. 5mm 2 电缆。 消防电源监控设备通过 CAN/ RS-485 总线把各个点的监控信息上传到生产指挥中心的消防控制室的一体化消防图像显示装置,通信线采用 NH-RVS2 × 1. 5mm 2 电缆。
监控传感器的设置应保证整个厂区消防系统供电电源工作状态均能在监控器或消防控制室内实时显示。 常见的设置位置有建筑内为消防设备供电的主电源和消防电源的配电柜输出端、消防电气控制装置(包括消防水泵控制器、防排烟风机控制器等)的双路电源输入端与输出端、各防火分区内的消防设备电源装置(给各消防设备供电的)的输出端、消防设备供电配电箱的输出端、消防设备应急电源的输入端与输出端、应急照明配电箱的输出端、集中电源型消防应急灯具专用应急电源的输入端与输出端,多路主电源供电的设备监控各主供电回路输入端。
设置在消防控制室以外的独立供电消防设备,如工作状态在火灾报警控制器或消防联动控制器上没有显示,应在其供电电源的输出端设置电压传感器或电流传感器,如电气火灾监控设备、可燃气体控制器、防火卷帘控制器、气体灭火控制器、线型光纤感温火灾传感器、吸气式感烟火灾传感器、传输设备等。
监控主机设置于有人值班的消防控制室内,通过通信总线及电源总线与下端监控传感器连接。 监控传感器安装于各个消防设备的末端配电箱中。 通常,消防设备的电源均为主备电源,传感器监控时电压信号取自双电源开关上端,电流信号取自开关下端。 需要注意电气设计的安全性,监控传感器需要具有熔断保护功能。 监控示意图如图 3 所示。

图 3 中小型监控系统监控示意图
监控传感器从各消防设备电源末端配电箱中收集信号,处理后传至消防控制室的监控主机进行集中处理、显示。
3、消防设备电源监控系统特点
消防设备电源监控系统具有功能多样、可靠性高、简单实用的特点。 监控主机采用 CAN 总线数据传输方式,配接单相直流监控传感器、单相交流监控传感器、三相交流消防电源监控传感器组网形成大规模电源监控系统,适用各个场所的消防电源监控。
监控传感器的系统电路主要由电源电路、主机电路、通信接口电路和显示电路组成。 电源电路主要由主供电电路和备电电路构成,主电路正常工作时可对备电进行充电(电池欠压时),同时电源对主备电源状态进行自检,例如主电欠压、备电欠压、备电断路、备电短路等,同时进行声光报警;主机电路由单片机、程序存储器、数据存储器、接口电路组成,其中单片机采用高性能、指令功能强大的进口芯片,运算速度快,抗干扰能力强;通信接口电路由 CAN通信专用接口芯片实现功能,与监控传感器通过CAN 总线进行信息传递,监控主机循环对总线上的所有监控传感器按地址进行巡检,检测其工作状态进行分析处理;显示电路由液晶显示电路联动电路和打印机组成,通过这些电路可进行指令输入、报警输出等操作。
4、消防设备电源监控系统功能
4.1 监控报警
主要功能包括:(1)被监控设备电源回路开关状态;(2)被监控设备电源的工作状态(电压、电流及报警状态信息);(3)报警响应时间≤30s;(4)报警声信号可手动消除,再次有报警信号输入时能再次启动;(5)报警光信号:红色 LED 指示灯常亮。
4.2 故障报警
主要功能包括:(1)监控主机与监控传感器(电压/ 电流监控传感器)之间的连接线断路、短路;(2)监控主机主电源欠压(≤80% 主电电压) 或过压(≥110% 主电电压);(3)监控主机与其分体电源间连线断路、短路;(4)故障报警响应时间≤100s;(5)故障报警声信号:手动消除,当再次有报警信号输入时,能再次的启动;(6)故障报警光信号:黄色LED 指示灯常亮;(7)故障期间非故障回路不受影响。
4.3 控制输出
主要功能包括:(1)对个别或是全部被监控设备的报警继电器进行远程操作;(2)监控主机报警控制输出:常开无源触点,容量:AC 220V 1A 或DC 30V 1A;(3)监控主机输出控制:常开无源触点容量:AC 220V 或 DC 30V 1A。
4.4 自检
主要功能包括:(1)连接检查:通信线路以及分体电源线路的断路、短路;(2)设备自检:手动检查或是系统自检;(3)自检耗时≤60s。
4.5 报警记录
主要功能包括:(1)记录 10 000 条相关故障报警信息;(2)报警类型:故障类型、发生时间、故障描述;(3)报警事件查询;(4)报警记录打印,可设置是否即时打印报警事件及时间、故障及时间。
4.6 操作分级
主要功能包括:(1)日常操作级别:可进入软件界面查看实时监测情况、消除报警声音和查询报警记录;(2)监控操作级别:可操作除针对系统本身的信息维护外的其他操作;(3)系统管理级别:可操作系统的任何一个功能模块。
4.7 网络
主要功能包括:自带一路 RS485 接口,可与上位机进行信息交互。
5、消防设备电源监控系统系统调试
系统现场调试流程主要分为如下几个步骤。
(1)监控系统主机接入电源,主机与监控传感器之间的连接安装完成,之后检查各种连线规格是否满足要求,连线是否有短路、松动现象。
(2)在施工方已完成接地绝缘电阻测试,并确定绝缘电阻满足施工要求的前提下,用万用表测量,接入线对大地的绝缘电阻应≥50MΩ。
(3)首先将监控传感器通电,待其稳定,报警主机进行信号采集后,设置传感器的通信地址码、电压报警值等,并对传感器的各项功能进行测试。
(4)打开监控系统主电源,用万用表测量各条线上的电压是否正常,之后配置监控主机的系统参数(包括通信接口、传感器的通信地址码等)。 检查通信是否连通,如通信不能连通应检查通信地址及通信线,直至正常通信。 对监控系统基本功能、报警、控制输出等功能进行试验。
(5)全部调试完毕,试运行 3 天。 系统验收后方能投入正常运行。
6、安科瑞消防设备电源监控系统
6.1概述
AFPM系列消防设备电源监控系统能够对消防设备的电源进行实时监控,通过检消防设备电源的电压、电流、开关状态等有关设备电源信息,从而判断电源设备是否有断路、短路、过压、欠压、缺相、错相以及过流(过载)等故障信息并实时报警、记录的监控系统。此系统具有可靠性、实时性并具有数字化、智能化、网络化、自动化和连续监控的特性。实时反映出被监控设备电源的状况,并集中显示,从而可以有效避免在火灾发生时,消防设备由于电源故障而无法正常工作的危急情况,保障消防联动系统的可靠性。
AFPM消防设备电源监控系统采用集中供电方式,通过监控器给现场传感器提供DC24V安全电压,有效保证系统的稳定性和安全性。可广泛应用于智能楼宇、高层公寓、宾馆、饭店、商厦、工矿企业、国家重点消防单位以及石油化工、文教卫生、金融、电信等领域。
AFPM消防设备电源监控系统由消防设备电源状态监控器(区域分机)、传感器、中继器、系统主机和配套附件组成。
6.2 应用场合
适用于智能楼宇、高层公寓、宾馆、饭店、商厦、工矿企业、国家重点消防单位以及石油化工、文教卫生、金融、电信等领域。
6.3 系统结构

6.4 系统功能
6.4.1 壁挂式:AFPM100/B1消防设备电源监控设备

6.4.2 壁挂式:AFPM100/B消防设备电源监控设备

6.4.3软件画面

6.5选型方案
6.5.1消防设备电源监控主机

6.5.2 消防设备电源监控模块


7、结束语
消防设备电源监控系统作为一种预警系统,在工业厂房设计中被广泛应用,其简单的系统架构(消防设备电源状态监控器加电压传感器的两层结构组网模式)有效地实现了消防设备的实时监测,并反映出消防用电设备的供电电源、备用电源实时工作状态的技术要求,保障了消防联动系统的安全。该系统对于确保工业建筑消防设备正常运行,提高单位消防安全管理水平具有非常重要的作用。 同时,可以及时发现消防设备故障,以达到预防和减少火灾事故的目的,为工厂的安全运行和人民生命财产安全保驾护航。
【参考文献】
[1]GB 28184-2011 消防设备电源监控系统[S]. 北京:中国标准出版社,2011.
[2]刘晓岩. 设置消防设备电源监控系统的必要性[J]. 铁道勘察,2014(3):107-109.
[3]贾若双. 消防设备供电问题探[J]. 现代建筑电气,2013,4(5):56-58.
[4]GB 50116-2013 火灾自动报警系统设计规范[S]. 北京:中国计划出版社,2014.
[5]周中. 智能电网用户端电力监控与电能管理系统产品[M]. 北京:机械工业出版社,2011.
本文地址: https://www.xsyiq.com/11256.html
网站内容如侵犯了您的权益,请联系我们删除。